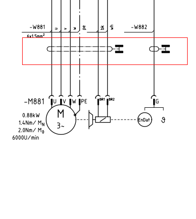
两图中红色方框内的两种符号都是屏蔽吗?有什么不同,电机的电源也必须用屏蔽电缆吗?
图片说明:
最佳答案
两图中红色方框内的两种符号都是屏蔽。
一个是两端接地,用于防止低频干扰。一个是单端接地,用于防止高频干扰。
根据EMC要求,电机要求用屏蔽电缆,但在EMC要求不严格的情况下,考虑成本因素,不一定使用屏蔽线。
提问者对于答案的评价:
ok
原创文章,作者:more0621,如若转载,请注明出处:https://www.zhaoplc.com/plc296513.html

微信扫一扫
支付宝扫一扫